รายการขอบเขตอุณหภูมิของแอป

วัสดุ อุณหภูมิปานกลาง ℃ วัสดุ อุณหภูมิปานกลาง ℃
พีวีซี-ซี -20°C~ 95°C พีวีซี-ยู -5 ℃ ~ 45 ℃
FRPP -20°C~ 120°C พีพีเอช -20°C~ 110°C
พีวีดีเอฟ 40 ℃ ~ 150 ℃

คุณสมบัติโครงสร้างผลิตภัณฑ์

1. ไดอะแฟรมซีลทำจาก F46 หรือ PFA โดยมีความทนทานต่อการพับ ≥ 120,000 เท่า และความต้านทานการกัดกร่อนเทียบเท่ากับ F4
2. กลไกการยกแบบสกรูให้แรงบิดเปิดและปิดต่ำและมีเสถียรภาพที่ดีเยี่ยม
3. สามารถควบคุมแอคชูเอเตอร์จากระยะไกลผ่านคอมพิวเตอร์หรือศูนย์ควบคุม ควบคุมการไหลและการไหลของตัวกลางโดยการเปิดและปิดวาล์ว ช่วยให้สะดวกและรวดเร็วยิ่งขึ้น ลดต้นทุนค่าแรง และรับประกันความปลอดภัยของพนักงานนอกสถานที่

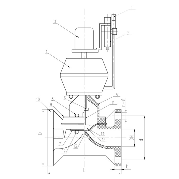
ตารางวัสดุชิ้นส่วน

ไม่ ชื่อ วัสดุ จำนวน
1 โซลินอยด์วาล์ว 1
2 เกจ์วัดแรงดัน 1
3 อุปกรณ์ตอบรับสัญญาณ 1
4 ตัวกระตุ้นแบบนิวแมติก อลูมิเนียมอัลลอยด์ 1
5 ฝากระโปรง พีพีเอช、PVC-C、PVC-U、PVDF、FRPP 1
6 โย๊ค นัท เอสเอส สตีล、 เหล็ก 1
7 แท่นวาง Q345、เหล็กเอสเอส 2
8 สกรู เหล็ก,StainlessSteel 4
9 แท่นวาง Q345、เหล็กเอสเอส 2
10 ร่างกาย พีพีเอช、PVC-C、PVC-U、PVDF、FRPP 1
11 ก้าน เหล็ก,StainlessSteel 1
12 หมวกอ่อนนุช เหล็ก,StainlessSteel 4
13 แผ่นวาล์ว พีพีเอช,PVC-C,PVC-U
FRPP, PVDF/เหล็กหล่อ
1
14 ฟลิม อีพีดีเอ็ม,เอฟพีเอ็ม 1
15 ไดอะแฟรม F46.PFA.PTFE 1
รายการมิติ

D n-Φ
15 95 65 125 14 4-Φ14
20 105 75 135 18 4-Φ14
25 115 85 145 18 4-Φ14
32 135 100 160 18 4-Φ18
40 145 110 180 20 4-Φ18
50 160 125 210 22 4-Φ18
65 180 145 250 24 4-Φ18
80 195 160 300 24 8-Φ18
100 225 180 350 28 8-Φ18
125 245 210 400 30 8-Φ18
150 280 240 455 30 8-Φ23x27
200 335 295 570 40 8-Φ22
250 390 350 680 38 12-Φ23
300 445 400 680 38 12- Φ 23
ข้อความตอบรับ
เกี่ยวกับเรา
Kaixin Pipeline Technologies Co., Ltd.
ก่อตั้งเมื่อปี พ.ศ. 2542 Kaixin Pipeline Technologies Co., Ltd. เป็นองค์กรเทคโนโลยีขั้นสูงที่ผสมผสานการวิจัยและพัฒนา การผลิต การขาย และการบริการ บริษัทได้รับการรับรองอันทรงเกียรติมากมาย รวมถึง National High-Tech Enterprise, Ningbo Single Product Champion (การเพาะปลูก), Ningbo Polymer Pipe & Valve Technology R&D Center, District-Level Green Factory, Ningbo Four-Star Management Innovation Enterprise และ Enterprise Data Management Capability Maturity Level 2
เราเชี่ยวชาญในการพัฒนา ผลิต และจัดหาผลิตภัณฑ์ป้องกันการกัดกร่อนที่ไม่ใช่โลหะสำหรับการใช้งานทางเคมี รวมถึงวาล์วพลาสติก ท่อ ข้อต่อท่อ และปั๊มที่ทนต่อการกัดกร่อน กลุ่มผลิตภัณฑ์ของเราครอบคลุมวัสดุต่างๆ เช่น PVC-C, PVC-U, PVDF, PPH และ FRPP โดยมีประเภทและข้อมูลจำเพาะที่หลากหลาย โดยเฉพาะอย่างยิ่ง วาล์วปีกผีเสื้อของเรามีเส้นผ่านศูนย์กลางถึง DN1000 ในขณะที่ท่อและข้อต่อขยายได้ถึง DN800 จัดการกับช่องว่างทางการตลาดและรักษาความได้เปรียบทางการแข่งขันในอุตสาหกรรม
Kaixin จัดสรรเงินเกือบ 10 ล้านหยวนต่อปีให้กับฝ่าย R&D ตามหลักการ "ขับเคลื่อนด้วยเทคโนโลยี ก้าวให้ทันเวลา" เรารับประกันคุณภาพผลิตภัณฑ์ที่เหนือกว่าผ่านการผลิตอัตโนมัติที่ได้มาตรฐานและการจัดหาวัตถุดิบนำเข้าอย่างเข้มงวด เพื่อให้สอดคล้องกับกลยุทธ์การพัฒนาระหว่างประเทศของเรา เราติดตามแนวโน้มของตลาดโลกอย่างต่อเนื่องและใช้ประโยชน์จากช่องทางดิจิทัลเพื่อนำเสนอผลิตภัณฑ์ "Made in China" คุณภาพสูงให้กับลูกค้าทั่วโลก
Ningbo • Fenghua R&D & ฐานการผลิต
ด้วยการลงทุนรวม 200 ล้านหยวน Kaixin Ultra-Pure Pipe Technology (Ningbo) Co., Ltd. ได้จัดตั้งห้องปฏิบัติการวัสดุใหม่โดยความร่วมมือกับมหาวิทยาลัยและสถาบันวิจัย สร้างฐานการผลิตที่ทันสมัย และติดตั้งสายการผลิตอัตโนมัติเต็มรูปแบบ 8 สายการผลิตสำหรับพลาสติกดัดแปลง และ 8 สายการผลิตสำหรับวัสดุโพลีเมอร์ โรงงานแห่งนี้อุทิศให้กับการวิจัยและพัฒนา การผลิต และการใช้พลาสติกและวัสดุโพลีเมอร์ที่ผ่านการดัดแปลงใหม่ๆ Kaixin ยังมุ่งมั่นที่จะดึงดูดผู้มีความสามารถระดับสูงจากทุกสาขา ขับเคลื่อนนวัตกรรมผลิตภัณฑ์และการพัฒนาแบรนด์อย่างต่อเนื่อง โดยมีเป้าหมายในการเป็นผู้นำที่ได้รับการยอมรับทั่วโลกในด้านการวิจัยและพัฒนา และการผลิตวาล์ว ท่อ และข้อต่อโพลีเมอร์
ใบประกาศเกียรติคุณ
  • honor
  • honor
  • honor
  • honor
  • honor
  • honor
  • honor
  • honor
  • honor
ข่าว