รายการอุณหภูมิของแอป
วัสดุ ในระดับปานกลาง ℃ วัสดุ ในระดับปานกลาง ℃
บริเวณ-ส -20°ซ~ 95°ซ บริเวณ-ยู -5 ℃ ~ 45 ℃
FRPP -20°ซ~ 120°ซ พีพีช -20°ซ~ 110°ซ
พีวีดีเอฟ 40 ℃ ~ 150 ℃

คุณสมบัติโครงสร้างผลิตภัณฑ์

1. ทนทานต่อสารเคมีที่เหนือกว่า: ระยะเวลาการทำงานที่หลากหลาย -20°C ถึง 95°C ปริมาณไอออนหนักกลางตรงน้ำบริสุทธิ์พิเศษและคุณสมบัติด้านประสิทธิภาพโดยตรงของสุขภาพแห่งชาติ
2. มีความเชื่อที่เหนียวและเห็นได้ชัดของสารเคมีได้ดีเยี่ยม
3. ความสามารถ: บางครั้งและเป็นเวลานานจะช่วยยืดอายุการใช้งานของท่ออื่นๆ ได้ตามปกติ
4. ค่าความร้อนต่ำ: ถึง 1/200 ของเหล็กฝ้าที่ดับไฟได้เอง
5. น้ำหนักเบา : น้ำหนักเบาเท่ากับ 1/5 ของมะนิลา และ 1/6 ของท่อกล้อง
6. ประสิทธิภาพที่ต่ำลงอย่างเห็นได้ชัดสูง: ท่อเรียบและสะอาด ลดการสูญเสียสีและยึดเกาะเมื่อถึงเวลานั้น
7. ต้องการความช่วยเหลือ: มีข้อดีแบบกาวและแบบเกลียวโดยกาวจะสะดวกที่สุด

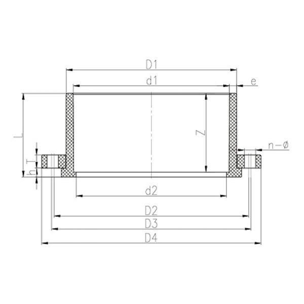
รายการมิติ

ดีเอ็น D1 D2 D3 D4 ง1 ง2 ชม ซี ไม่มี Φ
15 27 59 70 95 20 18 22 16 1.5 16 4-Φ15X20.5
20 32 70 75 105 25 23 25 18 1.5 19 4-Φ15X17.5
25 40 79 90 125 32 29 28 18 1.5 22 4-Φ15X20.5
32 50 89 100 140 40 36 31.5 20 1.5 26 4-Φ18X24.5
4 61 98 110 150 50 4 37 20 2 31 4-Φ18X24
50 75 120 125 165 63 58 44 25 2 38 4-Φ18X20.5
65 88 140 145 185 75 69 50 25 2 44 4-Φ18X20.5
80 105 150 160 200 90 84 57 26 2.5 51 8-Φ18X23
100 127 175 190 522 9110 105 67 26 2.5 61 8- Φ 18X26
125 161 210 250 140 130 84 28 12.5 77 8-Φ19
150 182 240 285 160 150 93 31 12.5 85 8-Φ23
200 249 295 339 225 215 127 36 16 119 8-Φ23X25
200 254 295.8 341 225 215 127 33.1 16 119 12-Φ22
250 308 350 395 280 267 154 40.5 16.5 144 12-Φ23
300 346 400 445 315 305 170 43 18 160 12-Φ23
350 395 460 505 355 340 176 43 16 164.5 16-Φ23
400 442 515 570 400 382 219 43 22 200 16-Φ27
450 494 565 625 450 430 220 40 27 210 20-Φ26
500 548 620 670 500 475 210 43 25 185 20-Φ27
ข้อความตอบรับ
เกี่ยวกับเรา
Kaixin Pipeline Technologies Co., Ltd.
ก่อตั้งเมื่อปี พ.ศ. 2542 Kaixin Pipeline Technologies Co., Ltd. เป็นองค์กรเทคโนโลยีขั้นสูงที่ผสมผสานการวิจัยและพัฒนา การผลิต การขาย และการบริการ บริษัทได้รับการรับรองอันทรงเกียรติมากมาย รวมถึง National High-Tech Enterprise, Ningbo Single Product Champion (การเพาะปลูก), Ningbo Polymer Pipe & Valve Technology R&D Center, District-Level Green Factory, Ningbo Four-Star Management Innovation Enterprise และ Enterprise Data Management Capability Maturity Level 2
เราเชี่ยวชาญในการพัฒนา ผลิต และจัดหาผลิตภัณฑ์ป้องกันการกัดกร่อนที่ไม่ใช่โลหะสำหรับการใช้งานทางเคมี รวมถึงวาล์วพลาสติก ท่อ ข้อต่อท่อ และปั๊มที่ทนต่อการกัดกร่อน กลุ่มผลิตภัณฑ์ของเราครอบคลุมวัสดุต่างๆ เช่น PVC-C, PVC-U, PVDF, PPH และ FRPP โดยมีประเภทและข้อมูลจำเพาะที่หลากหลาย โดยเฉพาะอย่างยิ่ง วาล์วปีกผีเสื้อของเรามีเส้นผ่านศูนย์กลางถึง DN1000 ในขณะที่ท่อและข้อต่อขยายได้ถึง DN800 จัดการกับช่องว่างทางการตลาดและรักษาความได้เปรียบทางการแข่งขันในอุตสาหกรรม
Kaixin จัดสรรเงินเกือบ 10 ล้านหยวนต่อปีให้กับฝ่าย R&D ตามหลักการ "ขับเคลื่อนด้วยเทคโนโลยี ก้าวให้ทันเวลา" เรารับประกันคุณภาพผลิตภัณฑ์ที่เหนือกว่าผ่านการผลิตอัตโนมัติที่ได้มาตรฐานและการจัดหาวัตถุดิบนำเข้าอย่างเข้มงวด เพื่อให้สอดคล้องกับกลยุทธ์การพัฒนาระหว่างประเทศของเรา เราติดตามแนวโน้มของตลาดโลกอย่างต่อเนื่องและใช้ประโยชน์จากช่องทางดิจิทัลเพื่อนำเสนอผลิตภัณฑ์ "Made in China" คุณภาพสูงให้กับลูกค้าทั่วโลก
Ningbo • Fenghua R&D & ฐานการผลิต
ด้วยการลงทุนรวม 200 ล้านหยวน Kaixin Ultra-Pure Pipe Technology (Ningbo) Co., Ltd. ได้จัดตั้งห้องปฏิบัติการวัสดุใหม่โดยความร่วมมือกับมหาวิทยาลัยและสถาบันวิจัย สร้างฐานการผลิตที่ทันสมัย และติดตั้งสายการผลิตอัตโนมัติเต็มรูปแบบ 8 สายการผลิตสำหรับพลาสติกดัดแปลง และ 8 สายการผลิตสำหรับวัสดุโพลีเมอร์ โรงงานแห่งนี้อุทิศให้กับการวิจัยและพัฒนา การผลิต และการใช้พลาสติกและวัสดุโพลีเมอร์ที่ผ่านการดัดแปลงใหม่ๆ Kaixin ยังมุ่งมั่นที่จะดึงดูดผู้มีความสามารถระดับสูงจากทุกสาขา ขับเคลื่อนนวัตกรรมผลิตภัณฑ์และการพัฒนาแบรนด์อย่างต่อเนื่อง โดยมีเป้าหมายในการเป็นผู้นำที่ได้รับการยอมรับทั่วโลกในด้านการวิจัยและพัฒนา และการผลิตวาล์ว ท่อ และข้อต่อโพลีเมอร์
ใบประกาศเกียรติคุณ
  • honor
  • honor
  • honor
  • honor
  • honor
  • honor
  • honor
  • honor
  • honor
ข่าว